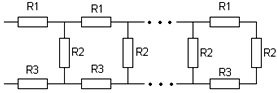
Задача: Составить рекурсивный алгоритм, который вычерчивает на экране схему электрической цепи .Порядок цепи (количество сопротивлений R2) должен вводиться во время работы программы. (картинка цепи в приложении)
Uses CRT;
Function chast(r2,x:integer):integer;
var y:integer;
begin
y:=2;
GotoXY(x,y);
writeln(CHR($C2),CHR($C4),CHR($DB),CHR($DB),CHR($C4),CHR($C2));
GotoXY(x,y+1);
writeln(CHR($DB));
GotoXY(x,y+2);
writeln(CHR($DB));
GotoXY(x,y+3);
writeln(CHR($C1),CHR($C4),CHR($DB),CHR($DB),CHR($C4),CHR($C1));
GotoXY(x,y);
chast:=r2;
end;
var r2,x:integer;
begin
CLRSCR;
x:=1;
repeat
write('R2 = ');
Readln(r2);
Until r2>0;
if r2=1 then chast(r2,x)
else
begin
x:=x+7;
chast(chast(r2,x)-1,x);
end;
readln;
end.










