Сообщение отредактировано: Анна -
| Анна |
Сообщение
#1
|
![]() Бывалая ![]() ![]() ![]() Группа: Пользователи Сообщений: 290 Пол: Женский Реальное имя: Анютка Репутация: 7 |
|
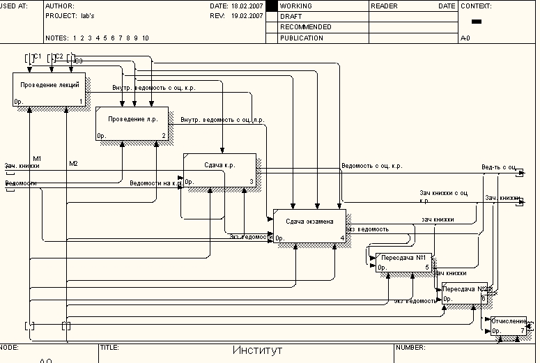
Анна Моделирование процесса - IDEF0 17.02.2007 14:12
Altair На этой схеме черт голову сломит.
Хоть бы потрудил… 18.02.2007 21:03
Анна Вот схема ...
Не могу сообразить, как это осущес… 18.02.2007 21:31
Анна К примеру при пересдаче, или стрелка должна идти с… 18.02.2007 21:56
Altair Теперь давай разберемся с заданием.
То, что у тебя… 19.02.2007 17:26
Анна p.s.2
в BPWin рисовала?
Да.
Updates:
Добавлено … 19.02.2007 21:39
Altair
Нет, не то-же, что и на экзамен.
Ведомости уже не… 20.02.2007 0:30
Анна В общем всё, что Вы тут описали замечательно :). Н… 21.02.2007 22:59
Altair Т.е. первая схема для сдачи автоматом?
Да, а я кст… 22.02.2007 1:37
Анна Первая схема - общая.
Сдача авт. - на "управ… 22.02.2007 20:51![]() ![]() |
|
Текстовая версия | 17.02.2026 17:27 |