| Reflex |
Сообщение
#1
|
![]() Пионер ![]() ![]() Группа: Пользователи Сообщений: 118 Пол: Женский Репутация: 0 |
помогите найти хороший самоучитель по созданию электро схем
-------------------- Нам не дано предугадать как наше слово отзовется...
|
![]() ![]() |
| xds |
Сообщение
#2
|
![]() N337 ![]() ![]() ![]() ![]() Группа: Пользователи Сообщений: 737 Пол: Мужской Репутация: 26 |
-------------------- The idiots are winning.
|
Reflex создание схем 4.02.2007 20:26
xds Поподробнее, пожалуйста. Что значит "создание… 4.02.2007 21:37
Reflex душа :)
ну создание схемы, которая бы получала от … 4.02.2007 22:36
xds Хм... А опыт или теоретические знания уже какие-ни… 4.02.2007 23:31
Bokul Давай публично! :good: Как минимум два кандида… 4.02.2007 23:46
SKVOZNJAK
А то вчера проводку в квартире чуть проводку не … 6.02.2007 16:03
xds Под "проектированием" я имел в виду весь… 5.02.2007 8:53
xds Что ж, предлагаем идеи для сборки - кто чего хочет… 6.02.2007 20:19
Reflex Нет не пропадаю :) родители до интернета редко пус… 6.02.2007 23:55
Reflex видела тему, где была ссылка на сайт, где писалось… 7.02.2007 1:23
Bokul :blink: Reflex, ну у тебе и фантазия :) , такое по… 7.02.2007 4:28
xds 1. Стоит всё-таки определиться с текущим опытом и … 7.02.2007 9:35
Reflex Жалко что сайт умер, был хороший, живу в Москве.
… 7.02.2007 11:48
xds 300-500 рублей за одну деталь, или за все сразу?За… 7.02.2007 19:38
volvo
Сайт не умер, а переехал: http://city.tomsk.net/~… 7.02.2007 18:05
klem4 не совсем по теме: наткнулся на одном из битторрен… 7.02.2007 19:48
volvo До 2005 года включительно все номера есть на Рапид… 7.02.2007 20:03
Reflex XDS, ну что приступим? сначала не мог бы ты посове… 8.02.2007 0:46
xds По деталям: набросаю схему - посмотрим. Что касает… 8.02.2007 17:46
Reflex все есть кроме тестера :) если только тестр <… 9.02.2007 0:28
xds Мультиметр in Тестеры :)
Я болел. Завтра постараю… 11.02.2007 22:13
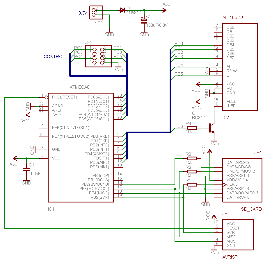
Reflex а можно комментарии что есть что? 15.02.2007 2:05
xds Основой схемы служит IC1 - микроконтроллер (МК) се… 15.02.2007 11:43
xds Техническое описание ATmega8 (англ.)
Техническое … 15.02.2007 12:12![]() ![]() |
|
Текстовая версия | 23.12.2025 17:27 |